
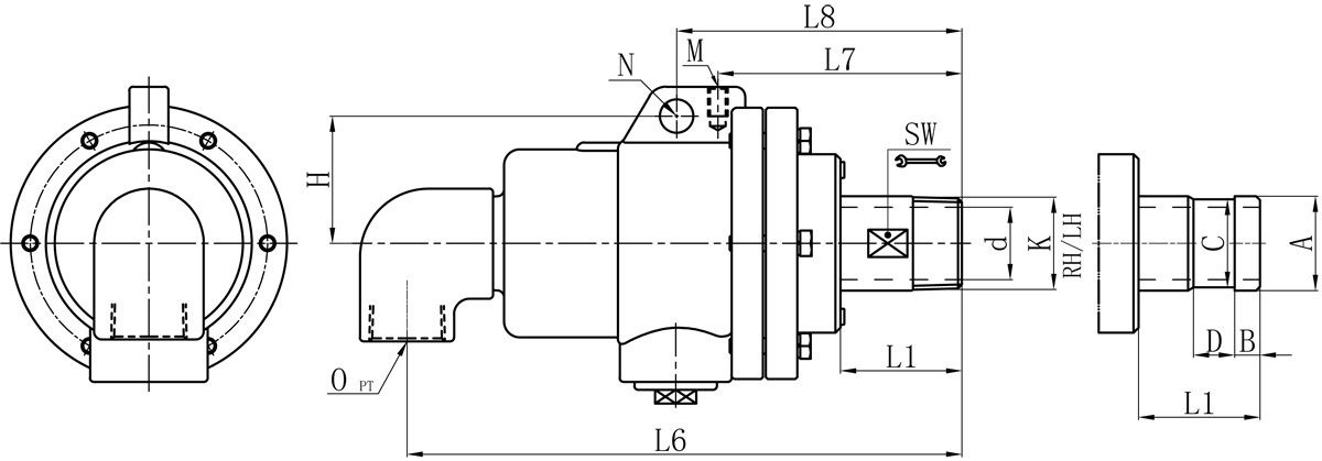
| Model | K | O | d | L1 | L6 | L7 | L8 | M | N | H | SW | 法兰式外管尺寸比照表 | |||
| A | B | C | D | ||||||||||||
| 20A | R3/4" | Rc3/4" | 18 | 46 | 199 | 96 | / | M10 | / | / | 24 | 26 | 11 | 24 | 16 |
| 25A | R1" | Rc1" | 23.5 | 51 | 212 | 109 | / | M10 | / | / | 32 | 34 | 12 | 32 | 18 |
| 32A | R1-1/4" | Rc1-1/4" | 30 | 55 | 245 | 108 | 124 | M10 | 14 | 60 | 41 | 40 | 13 | 38 | 20 |
| 40A | R1-1/2" | Rc1-1/2" | 36 | 62 | 280 | 133 | 149 | M10 | 16 | 71 | 45 | 47.8 | 13 | 45 | 20 |
| 50A | R2" | Rc2" | 45 | 71 | 326 | 150 | 173 | M12 | 18 | 81 | 55 | 60 | 16 | 57 | 24 |
| 65A | R2-1/2” | Rc2-1/2” | 58 | 76 | 368 | 157 | 183 | M12 | 20 | 91 | 70 | 74 | 19 | 70 | 24 |
| 80A | R3” | Rc3” | 72 | 87 | 441 | 187 | 214 | M12 | 20 | 100 | 85 | 87 | 25 | 84 | 24 |
如属规格品外,,,,,,,本公司可配合要求制作。。。。。。。。
规格尺寸若有修改,,,,,,,恕不另行通知。。。。。。。。
Copyright ?888.BY集团电子游戏 版权所有 闽ICP备05026600号 中机标准化研究院 网站建设:科伟网络