
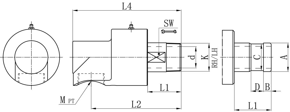
| Model | K | M | d | L1 | L2 | L4 | SW | 法兰式外管尺寸比照表 | |||
| A | B | C | D | ||||||||
| 15A | R1/2" | Rc1/2" | 13 | 29 | 85 | 100 | 20 | / | / | / | / |
| 20A | R3/4" | Rc3/4" | 17 | 39 | 103 | 121 | 26 | 26 | 11 | 24 | 16 |
| 25A | R1" | Rc1" | 21 | 49 | 115 | 139 | 31 | 34 | 12 | 32 | 18 |
| 32A | R1-1/4" | Rc1-1/4" | 30 | 51 | 134 | 159 | 41 | 40 | 13 | 38 | 13 |
| 40A | R1-1/2" | Rc1-1/2" | 36 | 59 | 146 | 176 | 46 | 47.8 | 13 | 45 | 20 |
| 50A | R2" | Rc2" | 46 | 70 | 191 | 227 | 57 | 60 | 16 | 57 | 24 |
| 65A | R2-1/2 | Rc2-1/2” | 60 | 79 | 214 | 261 | 80 | 74 | 19 | 70 | 24 |
| 80A | R3 | Rc3” | 72 | 85 | 231 | 285 | 87 | 87 | 23 | 84 | 24 |
如属规格品外,,,,,,本公司可配合要求制作。。。。。。。。
规格尺寸若有修改,,,,,,恕不另行通知。。。。。。。。
Copyright ?888.BY集团电子游戏 版权所有 闽ICP备05026600号 中机标准化研究院 网站建设:科伟网络