888.BY¼¯Íŵç×ÓÓÎÏ·

888.BY¼¯Íŵç×ÓÓÎÏ·(Öйú)ÓÐÏÞ¹«Ë¾¹ÙÍø
888.BY¼¯Íŵç×ÓÓÎÏ·(Öйú)ÓÐÏÞ¹«Ë¾¹ÙÍø

ÐýתÌÖÂÛ

Ê×Ò³ - ²úƷչʾ

888.BY¼¯Íŵç×ÓÓÎÏ·(Öйú)ÓÐÏÞ¹«Ë¾¹ÙÍø

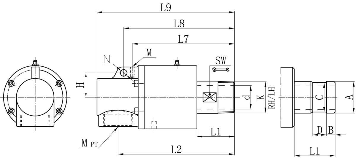
MXBÐÍ µ¥Í¨Â·

ÐͺţºMXBWMT¡¢MXBWMQ
Íâ¹Ü£ºÂÝÎÆ»ò·¨À¼
ÌØÕ÷£º¶àµ¯»ÉÆ½ÃæÃÜ·âÊÖÒÕ£»£» £»£»£» £»£»£» Á÷Í¨Ãæ»ý´ó£¬£¬£¬£¬ £¬£¬£¬Ñ¹Á¦ËðʧС£¡£¡£ ¡£¡£»£» £»£»£» £»£»£» ·ÖÌåʽ½á¹¹Éè¼Æ£¬£¬£¬£¬ £¬£¬£¬¿ÉÔÚÏßÌæ»»ÃÜ·â¼þ£»£» £»£»£» £»£»£» ¶àÖÖÃÜ·â×éºÏʹÓòî±ð¹¤¿ö£»£» £»£»£» £»£»£» Íⲿ¼ÓÔØµ¯»É£¬£¬£¬£¬ £¬£¬£¬ÃÜ·â¸ºÔØÔȳÆ£»£» £»£»£» £»£»£» ÉèÖÃÖá³Ð¸ôÀëϵͳ£¬£¬£¬£¬ £¬£¬£¬ÔöÇ¿Öá³Ð±£»£» £»£»£» £»£»£»¤¡£¡£¡£ ¡£¡£

ÊÖÒÕ²ÎÊý£º
ÊÊÓýéÖÊ Ë®¡¢ÓÍ
×î¸ßÎÂ¶È ¡Ü300¡æ£¨ÓÍ£©¡¢¡Ü120¡æ£¨Ë®£©
×î¸ßѹÁ¦ ¡Ü1.0MPa
×î¸ßתËÙ

15A-80A ¡Ü3000rpm


²úÆ·×Éѯ ·µ»ØÁбí

ÏúÊÛ·þÎñÈÈÏߣº

0595-8686 1188

888.BY¼¯Íŵç×ÓÓÎÏ·(Öйú)ÓÐÏÞ¹«Ë¾¹ÙÍø


Model K M d L1 L2 L7 L8 L9 M N H SW ·¨À¼Ê½Íâ¹Ü³ß´ç±ÈÕÕ±í
A B C D
15A R1/2¡± Rc1/2¡± 13 35 113 104 / 128 M6 / / 22 / / / /
20A R3/4¡± Rc3/4¡± 17 42 132 121 / 150 M6 / / 26 26 11 24 16
25A R1¡± Rc1¡± 21 42 138 124 / 159 M6 / / 32 34 12 32 18
32A R1-1/4¡± Rc1-1/4¡± 30 50 160 141 / 188 M8 / / 41 40 13 38 20
40A R1-1/2¡± Rc1-1/2¡± 36 57 176 155 168 206 M6 10 37 46 47.8 13 45 20
50A R2¡± Rc2¡± 46 70 202 175 189 240 M8 10 44 57 60 16 57 24

ÈçÊô¹æ¸ñÆ·Í⣬£¬£¬£¬ £¬£¬£¬±¾¹«Ë¾¿ÉÅäºÏÒªÇóÖÆ×÷¡£¡£¡£ ¡£¡£
¹æ¸ñ³ß´çÈôÓÐÐ޸쬣¬£¬£¬ £¬£¬£¬Ë¡²»ÁíÐÐ֪ͨ¡£¡£¡£ ¡£¡£

Copyright ?888.BY¼¯Íŵç×ÓÓÎÏ· °æÈ¨ËùÓÐ ÃöICP±¸05026600ºÅ Öлú±ê×¼»¯Ñо¿Ôº ÍøÕ¾½¨É裺¿ÆÎ°ÍøÂç

¡¾ÍøÕ¾µØÍ¼¡¿¡¾sitemap¡¿