
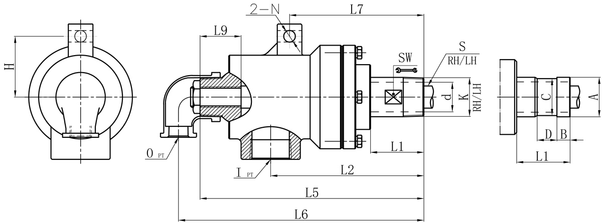
| Model | K | I | O | S | d | L1 | L2 | L5 | L6 | L7 | L9 | N | H | SW | 法兰式外管尺寸比照表 | |||
| A | B | C | D | |||||||||||||||
| 20A | R3/4" | Rc3/4" | Rc1/2" | Rp1/4" | 18 | 49 | 141 | 197 | 210 | 127 | 40 | 10 | 56 | 24 | 26 | 11 | 24 | 16 |
| 25A | R1" | Rc3/4" | Rc1/2" | Rp3/8" | 23.5 | 54 | 149 | 210 | 222 | 131 | 40 | 12 | 60 | 32 | 34 | 12 | 32 | 18 |
| 32A | R1-1/4” | Rc1" | Rc1/2" | Rp1/2" | 30 | 57 | 161 | 239 | 253 | 140 | 48 | 14 | 68 | 39 | 40 | 13 | 38 | 20 |
| 40A | R1-1/2” | Rc1-1/4" | Rc3/4" | Rp3/4" | 36 | 67 | 186 | 272 | 292 | 163 | 50 | 14 | 74 | 45 | 47.8 | 13 | 45 | 20 |
| 50A | R2” | Rc1-1/2" | Rc1" | Rp1" | 45 | 72 | 212 | 290 | 310 | 170 | 46 | 14 | 97 | 58 | 60 | 16 | 57 | 24 |
如属规格品外,,,,,,,本公司可配合要求制作。。。。。。。。
规格尺寸若有修改,,,,,,,恕不另行通知。。。。。。。。
Copyright ?888.BY集团电子游戏 版权所有 闽ICP备05026600号 中机标准化研究院 网站建设:科伟网络